人气:5493 发表时间:2021-05-13 09:39:11
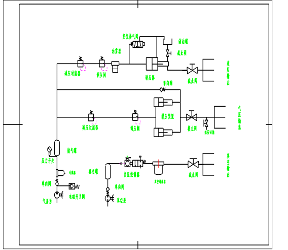
SPMK991T智能私服压力源的气压介质的工作原理如下图气压输出部分所示。主要特点是电动造压,电控限压,伺服调压。

利用压缩机实现电动造压,出口接一个储气罐,储存气压能量,经过高精度伺服调压阀调节压力,进口增压装置增压以达到高压气体的输出。可实现多次由高点到低点的检测。压力控制器自动控制压缩机,按下电源开关即可。
压力控制器可设定压力值,用以自动控制气源压力最大值(压缩机停止压力)以及压缩机启动压力值。
气压压力由进口伺服调压阀控制,顺时针升压,逆时针降压。
400-058-2226
sales@cspmk.com
北京市海淀区西三旗金燕龙大厦6层

ICP备案号:京ICP备05083779号-1